上海灵欧电阻器有限公司
联系我们 联系我们
加入收藏 加入收藏
设为首页 设为首页
RSS RSS XML link
网站首页 首    页 公司简介 公司简介 产品展示 产品展示 荣誉证书 荣誉证书 检测设备 检测设备 合作伙伴 合作伙伴 行业新闻 行业新闻 联系我们 联系我们
 
产品目录
RXQ型线绕电阻器 01、RXQ型线绕电阻器
RXG20型线绕波纹电阻器 02、RXG20型线绕波纹电阻器
RXG20-F型负载电阻器 03、RXG20-F型负载电阻器
RXLG铝壳制动电阻器 04、RXLG铝壳制动电阻器
LX系列大电流负载电阻器 05、LX系列大电流负载电阻器
ZG12阻尼电阻 06、ZG12阻尼电阻
RX30大功率高压电阻 07、RX30大功率高压电阻
BX6系列滑线电阻 08、BX6系列滑线电阻
BX7系列滑线电阻 09、BX7系列滑线电阻
BX8系列滑线电阻 10、BX8系列滑线电阻
BC1型旋臂式变阻器 11、BC1型旋臂式变阻器
BC1-W无底盘型旋臂式变阻器 12、BC1-W无底盘型旋臂式变阻器
ZB1-2-3-4型板型电阻器 13、ZB1-2-3-4型板型电阻器
ZG3管型电阻 14、ZG3管型电阻
ZX1 、ZX15型电阻器 15、ZX1 、ZX15型电阻器
ZX9 、ZX12型电阻器 16、ZX9 、ZX12型电阻器
ZX18不锈钢电阻器 17、ZX18不锈钢电阻器
KQF开启式变频制动电阻箱 18、KQF开启式变频制动电阻箱
RXG-F变频制动电阻箱/柜 19、RXG-F变频制动电阻箱/柜
BXT可调电阻箱/柜 20、BXT可调电阻箱/柜
RX-F三相负载电阻箱/柜 21、RX-F三相负载电阻箱/柜
WR-F直流负载电阻箱/柜 22、WR-F直流负载电阻箱/柜
RYB仪表型可调电阻箱 23、RYB仪表型可调电阻箱
PLC可编程控制负载箱/柜 24、PLC可编程控制负载箱/柜
DS-F定时控制负载箱/柜 25、DS-F定时控制负载箱/柜
ZB系列旋转式变阻器 26、ZB系列旋转式变阻器
BLP1-10系列电动传动励磁变阻器 27、BLP1-10系列电动传动励磁变阻器
BP-300/500型稳定电阻器 28、BP-300/500型稳定电阻器
老化负载箱 29、老化负载箱
RX21被柒线绕电阻 30、RX21被柒线绕电阻
RX27线绕陶瓷绝缘电阻器 31、RX27线绕陶瓷绝缘电阻器
ZG11被釉管型线绕电阻 32、ZG11被釉管型线绕电阻
 
LX系列大电流负载电阻器 当前位置:首页 > 产品展示 > LX系列大电流负载电阻器  

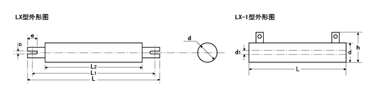
LX型电阻器,电阻丝垂直绕制在电阻管上,有利于散热,电感量低耐过载能力强等特点,电阻值:0.02Ω~4.3Ω,电流最大承受200安培,适用于大电流低阻值。

功率 L L1 L2 e c d
1000W 340 304 230 26 6.2 100
2000W 560 524 450 26 6.2 100

LX-1型电阻器,电阻丝弹簧绕制在电阻管上,电感量低、耐过载能力强、安装方便,电阻值:0.3Ω~4.3Ω。

型号功率(W) L d d1 h 温度
200w 1 95 50 1O 75 ≤250℃
300w 1 95 50 10 75 ≤320℃
450w 1 95 50 10   ≤520℃
LX系列大电流负载电阻器
电阻器
电阻器
LX系列大电流负载电阻器技术参数:
功率范围: 180W-2000W
阻值范围: 0.08Ω-4.3Ω
额定温升: ≤375℃
电极与安装架之间耐压:2KV
防护等级:IP:00
额定功率下阻值变化≤±10%
短时负荷能力:10倍功率6秒
环境温度:-55℃+315℃
LX系列大电流负载电阻器的允许负荷和环境温度的关系
LX系列大电流负载电阻器 允许功率和额定功率
上一个:RXLG铝壳制动电阻器 下一个:ZG12阻尼电阻器
上海灵欧电阻器有限公司
COPYRIGHT 上海灵欧电阻器有限公司 www.shwenwen.com 沪ICP备09039838号-4
地址:上海市嘉定区曹安公路1855号 电话:021-62162390 62851275 62456828
传真:021-62577121 邮编:200062 E-mail:sales@shyongling.com 上海灵欧电阻器百度统计
首页 电阻新闻 热门关键词:铝壳电阻,滑动变阻器,可调电阻,变频器制动电阻,大功率电阻,线绕电阻,电阻柜,网站地图